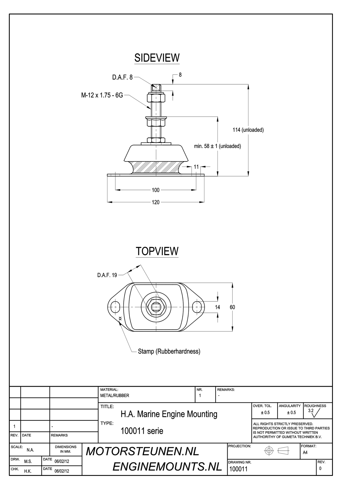
Marine Mount Motorsteun type 1600 - 55 shore - M12 stift - max. 75 kg
Laden voor beschikbaarheid voor ophalen niet mogelijk
Marine Mounts zijn uitermate geschikt voor maritieme toepassingen. Deze compacte trillingsdempers zijn eenvoudig te monteren en bieden een hoge trillingsisolatie. De inwendige buffer zorgt ervoor dat de beweging van de motor in drie richtingen wordt begrensd. Marine Mounts zijn verkrijgbaar in vijf afmetingen en in diverse rubberhardheden. Dit type motorsteun is voorzien van een M12 stelstift voor de hoogte-instelling van de motor.
Artikelnummer: 100011-55
Rubberhardheid: 55 shore
Maximaal toelaatbare belasting: 75 kg
